Skip to main content

Thread Identification Guide

Thread Identification Guide

Identifying threads can sometimes be the most difficult and frustrating part of coupling selection. However, without the right combination of threads, you may not provide a functional or safe connection.

The diameters, threads per inch (TPI) and thread pitch, etc. are necessary to completely identify a thread. Ring, Plug and GO/NOGO gauges are required to accurately gauge or identify threads. In the field, in the absence of these gauges, thread leaf gauges can be used to identify the "Threads Per Inch" (TPI) and the thread pitch. On threads you have determined to be straight threads, a caliper can be used to measure the "Outside Diameter of the Male" (ODM) or the "Inside Diameter of the Female" (IDF). A caliper can also be used to take measurements of tapered thread diameters. However, these are more difficult to define because of the taper. Fortunately, there are few tapered threads to deal with and these can usually be identified from the nominal ODM and the TPI.

However, identifying the thread may not fully identify what is needed in a mating fitting. The application is the primary limiting factor on the thread type used. Dixon offers products with a wide variety of threads used with hose, pipe and hydraulics.

When attempting to choose a fitting, it is always advisable to first identify the thread to which it must connect. This may entail checking with a fitting or equipment manufacturer.

The fire hose thread specifications for some local municipal fire equipment and hydrants may vary according to local specifications. These can generally be most easily identified by contacting the local fire department responsible for the hydrant. The most common thread used on fire equipment is National Standard Thread (NST), also known as National Hose thread (NH).

When it is not possible to identify the thread:

  1. Determine the number of threads per inch by measuring the distance from peak of thread to peak of thread across the largest number of whole threads. Then divide the number of threads by the measurement (This will provide the TPI).
  2. Check to see if the thread is straight or tapered.
    • Straight Threads
      • Measure the "Outside Diameter of the Male" (ODM) or the "Inside Diameter of the Female" (IDF), from peak of thread to peak of thread.
    • Tapered Threads
      • Measure the "Outside Diameter of the Male" (ODM) at the large end and the small end, or the "Inside Diameter of the Female" (IDF) at the large end and the small end, from peak of thread to peak of thread. Then measure the Outside Diameter (OD) of the unthreaded pipe.

Once the application and these two pieces of information have been determined, the thread can generally be determined. When in doubt, contact the factory.


straight-thread-vs-tapered-thread.png

 

 


Thread Information

Abbreviation System Name Compatibility Seal Method
BSPP British Standard Pipe Parallel

Male BSPP with Female BSPP
Female BSPP with Male BSPP
Female BSPP with Male BSPTr

Washer
Washer
Washer

BSPTr British Standard Pipe Taper

Male BSPTr with Female BSPTr
Male BSPTr with Female BSPP
Female BSPTr with Male BSPTr
Female BSPTr not compatible with Male
BSPP

Thread
Washer
Thread

CHT

American Standard Fire Hose Thread
(1" National Hose Thread is Chemical
Hose Thread, also known as Booster
Hose Thread)

1" Male NH (NST) with 1" Female NH (NST)
1"Female NH (NST) with 1" Male NH (NST)
1" Thread is used on both ¾" hose and 1"
hose.
Not compatible with other systems

Washer
Washer

GHT Garden Hose Thread

Male GHT with Female GHT
Female GHT with Male GHT
Thread is same for all size hose
Not compatible with other systems

Washer
Washer

IPS Iron Pipe Straight Thread

Generic Name for Straight Pipe Thread
See NPSH for compatibility

Washer

IPT Iron Pipe Thread

Generic Name for All Pipe Thread
More information required

Washer
Washer

NH or NST

American Standard Fire Hose Coupling
Thread
(National Hose thread also known as
National Standard Thread)

Male NH (NST) with Female NH (NST)
Female NH (NST) with Male NH (NST)
Not compatible with other systems
Thread pitch and diameters of fire threads
may vary according to local and municipal
regulations

Washer
Washer

NPT

American Standard Taper Pipe Thread
(National Pipe Tapered)

Male NPT with Female NPT
Male NPT with Female NPTF
Male NPT with Female NPSM
Male NPT with Female NPSH
Female NPT with Male NPT
Female NPT with Male NPTF
Female NPT not compatible with Male NPSM
or Male NPSH

Thread
Thread
Washer
Washer
Thread
Thread

NPTF

American Standard Taper Pipe Fuel
Dryseal Thread (National Pipe Tapered
Fine)

Male NPTF with Female NPTF
Male NPTF with Female NPT
Male NPTF with Female NPSM
Male NPTF with Female NPSH
Female NPTF with Male NPTF
Female NPTF with Male NPT
Female NPTF with Male NPSM or NPSH
Note: NPTF with NPTF threads do not
require sealant for the initial use. After that,
sealant is required

Thread
Thread
Washer
Washer
Thread
Thread
Not Compatible

NPSH

American Standard Straight Pipe for
Hose Couplings (National Pipe Straight
Hose)

Male NPSH with Female NPSH
Female NPSH with Male NPSH
Female NPSH with Male NPT
Female NPSH with Male NPTF
Female NPSH with Male NPSM

Washer
Washer
Washer
Washer
Washer

NPSM

American Standard Straight Mechanical
Joints (National Pipe Straight
Mechanical)

Male NPSM with Female NPSM
Male NPSM with Female NPSH
Female NPSM with Male NPSM
Female NPSM with Male NPT
Female NPSM with Male NPTF

Seal can be either
mechanical or washer.
Mating fittings must be
of same type

SIPT Straight Iron Pipe Thread Generic name for Straight Pipe Thread  Washer
TIPT Tapered Iron Pipe Thread Generic name for Tapered Pipe Thread  Thread

Thread Dimensions 

Nominal dimensions of Standard Threads

  • ODM = Outside Diameter of the Male
  • IDF = Inside Diameter of the Female
  • TPI = Threads Per Inch
Size Pipe OD Tapered Threads Straight Threads
    NPT BSPTr NPSH NPSH NPSH NPSM NPSM NPSM NST (NH) NST (NH) NST (NH) BSPP BSPP BSPP
    TPI TPI TPI ODM (max) IDF (min) TPI ODM (max) IDF (min) TPI ODM (max) IDF (min) TPI ODM (max) IDF (min)

1/8"
1/4"
3/8"

.405
.540
.675

27
18
18

28
19
19

     

27
18
18

0.397
0.526
0.662

0.358
0.468
0.603

       

0.383
0.516
0.656

0.337
0.450
0.588

1/2"
3/4"
1"
1-1/4"
1-1/2"
2"
2-1/2"

.840
1.050
1.315
1.660
1.900
2.375
2.875

14
14
11.5
11.5
11.5
11.5
8

14
14
11
11
11
11
11

14
14
11.5
11.5
11.5
11.5
8

0.8248
1.0353
1.2951
1.6399
1.8788
2.3528
2.8434

0.7395
0.9500
1.1921
1.5369
1.7758
2.2498
2.6930

14
14
11.5
11.5
11.5
11.5
8

0.823
1.034
1.293
1.638
1.877
2.351
2.841

0.747
0.958
1.201
1.546
1.785
2.259
2.708

8

8

9

7.5

1.375

1.375

1.990

3.068

1.2246

1.2246

1.8577

2.9104

 

 

11
11

11
11

0.825
1.041
1.309
1.650
1.882
2.347
2.960

0.733
0.950
1.193
1.534
1.766
2.231
2.844

3"
4"
4-1/2"
5"
6"

3.500
4.500

5.563
6.625

8
8

8
8

11
11

11
11

     

8
8

8
8

3.467
4.466

5.528
6.585

3.334
4.333

5.395
6.452

6
4
4
4
4

3.623
5.010
5.760
6.260
7.025

3.5306
4.7111
5.4611
5.9602
6.7252

11

 

11
11

3.460
4.450

5.450
6.450

3.344
4.334

5.359
6.359

8"
10"
12"

8.625
10.750
12.750

8
8
8

                         

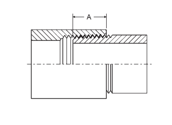
Normal Engagement Length of NPT Thread

Dimensions given do not allow for variations in tapping or threading.

thread-dimensions.png

 

Thread Size Dimension A

1/8"
1/4"
3/8"
1/2"
3/4"
1"
1-1/4"
1-1/2"
2"
2-1/2"
3"
4"
5"
6"
8"
10"
12"

1/4"
3/8"
3/8"
1/2"
9/16"
11/16"
11/16"
11/16"
3/4"
15/16"
1"
1-1/8"
1-1/4"
1-5/16"
1-7/16"
1-5/8"
1-3/4"

 


Thread Chart

National Standard

NH

Straight
Iron Pipe

NPSH

New York
Corporation

NYCT

Pacific Coast

PCT

New York
Fire Dept.

NYFT

Chemical Hose
CHT *

NH

Underwriter's
Play Pipe

PPS

Garden
Hose

GHT *

Chicago Fire
Dept.

(NEW) *

Chicago Hose
Size ODM TPI ODM TPI ODM TPI ODM TPI ODM TPI ODM TPI ODM TPI ODM TPI ODM TPI ODM TPI

¾"
1"
1¼"
1½"
2"
2½"
3"
3½"
4"
4½"
5"
6"

1.375
1.375
1.6718
1.990
2.5156
3.0686
3.6239
4.2439
5.0109
5.7609
6.260
7.025

8
8
9
9
8

6
6
4
4
4
4

1.0353 *
1.2951 *
1.6399 *
1.8788 *
2.3528 *
2.841 *
3.470
3.970
4.470
4.970
5.530
6.590

14
11½
11½
11½
11½
8
8
8
8
8
8
8

--
--
--
2.093
2.547
3.000
--
--
--
--
--
--

--
--
--
11
11
8
--
--
--
--
--
--

1.0625
1.3125
1.860
2.100
2.550
3.035
--
--
5.000
--
--
--

11
11½
11
11
10

--
--
4
--
--
--

--
1.660
--
2.100
--
3.030
3.630
4.070
4.610
5.800
--
--

--
8
--
8
--
8
8
8
8
4
--
--

1.375
1.370
--
--
--
--
--
--
--
--
--
--

8
8
--
--
--
--
--
--
--
--
--
--

--
--
--
2.1875
--
--
--
--
--
--
--
--

--
--
--
12
--
--
--
--
--
--
--
--

1.0625
1.0625
--
--
--
--
--
--
--
--
--
--

11½
11½
--
--
--
--
--
--
--
--
--
--

--
--
--
1.933
--
2.990
--
--
--
--
--
--

--
--
--
11½
--

--
--
--
--
--
--

1.081
1.2951
1.705
1.946
2.522
3.043
--
--
--
--
--
--

11½
11½
11½
11½
8
7
--
--
--
--
--
--

* National Form Thread. Abbreviation for tapered iron pipe thread is TIPT or NPT (National Pipe Tapered). 

ODM = Outside Diameter of Male

 


Canadian Standard 2½" Hose Threads

 

Size Description ODM TPI

2½"
2½"
2½"
2½"
2½"
2½"

AMA - Alberta Mutal Aid
BCT - British Columbia - Vancouver
CSA - Canadian Standards Association - Ontario
QST - Provice of Quebec Standard
Western Canada Fire Underwriters Association - Winnipeg, Saskatoon
Nova Scotia - Male .010 flat x female, Sharp V

2.990
3
3.125
3.031
3.250
3.230

8 *
8 *
5 *
7
6
5

* Truncated

ODM = Outside Diameter of Male